Лазерният модул с висока мощност 1653,7 nm използва планарна конструкция с чип върху подносител. Високата захранващият чип е херметически затворен в без епоксидна смола и флюс 14-щифтов пеперуден пакет и е снабден с термистор, термоелектрически охладител и мониторен диод за осигуряване на висококачествена лазерна работа. 1653nm 40mW BTF лазерен диод за откриване на газ метан е квалифициран Telcordia GR-468 и е в съответствие с директивите RoHS.
Лазерният модул с висока мощност 1653,7 nm използва планарна конструкция с чип върху подносител. Чипът с висока мощност е херметически затворен в 14-пинов пеперуден пакет без епоксидни смоли и поток и е снабден с термистор, термоелектрически охладител и мониторен диод за осигуряване на висококачествена лазерна производителност. Нашите лазерни продукти са квалифицирани по Telcordia GR-468 и са в съответствие с директивите RoHS.
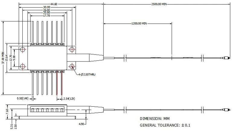
● Индустриален стандартен 14-пинов пеперуден пакет;
● Вграден ТЕС и оптичен изолатор;
● Високоефективен лазер с многоквантова ямка (MQW) с разпределена обратна връзка (DFB).
● Производствени тестове на пасивни компоненти за детекция на газ;
● Система за откриване на газ от влакна;
● Лазерни източници.
| Параметър | Символ | Състояние | Мин. | Тип. | Макс. | единица |
| Централна дължина на вълната | lc | Tl = 15 ~ 35 ℃ qu | 1652.7 | 1653.7 | 1654.7 | nm |
| Оптична изходна мощност | след | CW | - | 40 | - | mW |
| LD Прагов ток | ITH | CW | - | 15 | 40 | mA |
| LD Прав ток | Ако | Pf = Номинална мощност | - | 300 | 400 | mA |
| Оптична изолация | - | -10 < TC < +70 ℃ | 30 | - | - | dB |
| Коефициент на потискане на страничния режим | SMSR | CW | 35 | 40 | - | dB |
| Отзивчивост на монитора | Ваксинация | - | - | 1 | 20 | беше / mw |
| Следете стабилността на реакцията | - | - | - | - | 20% | - |
| Наблюдавайте тъмен ток | Id | VPD =5V | - | - | 50 | nA |
| TEC ток | ITEC | Tслучай =75 ℃ | - | - | 2 | A |
| TEC напрежение | VTEC | Tслучай =75 ℃ | - | - | 3.5 | V |
| Консумирана мощност на TEC | P | Tstg =25 ℃ | - | - | 5 | W |
| Термисторно съпротивление | Rth | Tслучай =75 ℃ | 9.5 | 10 | 10.5 | Kohm |
| Термистор B постоянен | Bth | Tstg =25 ℃ | - | 3900 | - | K |
| Дрейф на дължината на вълната (EOL) | △λ | Тестван през 25-годишен живот | - | - | ±0,1 | nm |
| вълна. Температурен коефициент | Dl/Dt | TEC температура от 15 ℃ до 35 ℃ | - | 0.09 | - | nm/℃ |
| Токов коефициент на дължина на вълната | Dl/DI | - | - | 0.01 | - | NM / инч |

Всички продукти са тествани преди изпращане;
Всички продукти имат 1 година гаранция. (След гаранционния период за качество започна да се начислява подходяща такса за поддръжка.)
Оценяваме вашия бизнес и предлагаме незабавна 7-дневна политика за връщане. (7 дни след получаване на артикулите);
Ако артикулите, които купувате от нашия магазин, не са с перфектно качество, т.е. не работят по електронен път според спецификациите на производителя, просто ни ги върнете за замяна или възстановяване на сумата;
Ако артикулите са дефектни, моля, уведомете ни в рамките на 3 дни след доставката;
Всички артикули трябва да бъдат върнати в първоначалното им състояние, за да отговарят на изискванията за възстановяване или замяна;
Купувачът е отговорен за всички направени разходи за доставка.
Въпрос: Каква е точността на дължината на вълната?
A: +/-0.5nm.
Въпрос: Имате ли други версии на изходната мощност?
A: 10mW, 15mW, 50mW.
С-диапазон с тясна ширина на линията, интегриран регулируем лазерен модул ITLA
1550nm 40mW 200Khz DFB пеперуда лазерен диод с тясна ширина на линията
1550nm 40mW 600Khz DFB тип пеперуда Лазерен диод с тясна ширина на линията
1550nm 50mW 100Khz тясна ширина на линията DFB пеперуда лазерен диод
1550nm 2mW 5mW коаксиален лазерен диод с тясна ширина на линията
1550nm 100MW 100kHz тясна LineWidth DFB лазерен диод BTF с SM/PM влакноCopyright @ 2020 Shenzhen Box Optronics Technology Co., Ltd. - Оптични модули China Fiber, производители на лазери, свързани с влакна, доставчици на лазерни компоненти Всички права запазени.